National Service Hotline:
+86-372-2595077/2595078/2595088
Purpose
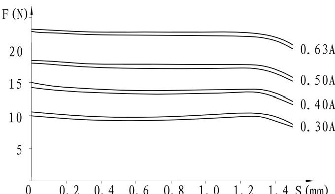
This series of products is a sealed explosion-proof double head proportional electromagnet, used in chemical environments containing Class II explosive gases. It is driven by a DC 12V/24V power supply and used in conjunction with a proportional control amplifier, working together on the HAWE load sensitive proportional multi way valve. Within the rated stroke and rated current range, its output force and displacement are proportional to the input current, and the output force remains constant within the rated stroke. The stepless adjustment of the input current within the rated range can achieve stepless speed regulation, commutation, and remote control of the hydraulic system actuator within the rated range.
Key Parameters
Code | DTEBL21I Class Ⅱ | |
Ambient Temperature (℃) | -20~+40 | |
Rated Voltage (V) | 20 | 12 |
Rated Stroke (mm) | 1.2 | |
Total Stroke (mm) | ≥1.7 | |
Rated Force (N) | 21 | |
Force Lag Characteristic (%) | ≤3 | |
Current Lag Characteristic (%) | ≤6.5 | |
Repeat Accuracy (%) | ≤1 | |
Rated Current (A) | 0.63 | 1.33 |
Current(max) (A) | 0.63 | 1.33 |
Rated Resistance 20℃ (Ω) | 27 | 6 |
Rated Power (W) | 10.7 | 10.7 |
Power(max) (W) | 15 | 15 |
Displacement force characteristic curve

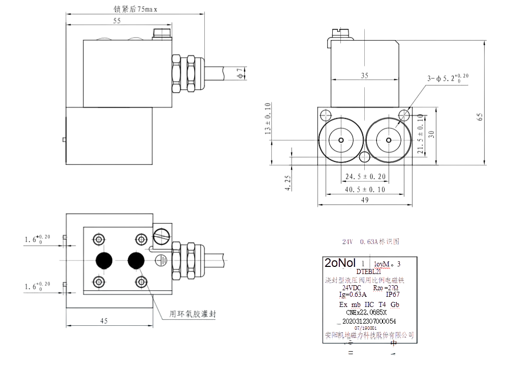
Externality &Installation Dimensions

Operating Notice
● The length of the electromagnetic cable can be customized, with the most common cable length being 10 meters.
● There is a protector of over-current between electrical control system and solenoid, in order to prevent the solenoid and the electrical component from burning in improper conditions.
● The working medium of hydraulic system is mineral oil, phosphoric acid oil.
● The solenoid fit for continuous duty.
Explanation Of Sample
● If the application is beyond the catalogue,please contact with us.
● Characteristic curve for reference only.
● The main performance parameter is obtained in the conditions of lab.Finally explanation and changing of the parameters by KAIDI.
Chinese
English
Русский
Español