National Service Hotline:
+86-372-2595077/2595078/2595088
Purpose
This series of electromagnets is suitable for threaded plug-in hydraulic control valves. Compared with conventional hydraulic valves, they have the advantages of compact structure, sensitive response, convenient disassembly, and reliable performance. They can be directly installed into the inner cavity of the packaging block, reducing oil leakage, vibration, noise, and faults caused by piping, improving reliability, and obtaining hydraulic control valve skills such as direction, pressure, or flow control. Widely used in fields such as engineering machinery, agricultural machinery, metallurgy, building materials machinery, etc.
Usual Service Conditions
● It can be installed randomly.
● There is no gas or dust which can corrupt metal or destroy nonconductor. Or, it will affect the products lifetime.
● The solenoids fit for the continuous duty system or intermittent periodic duty system.
● The reasonable wave range of supply voltage is between 85%-110%(any special requirements is possible).
Key Parameters
Code | MFZ15-17YC(DT) | MFZ15-17YC(DIN) | MFZ15-17YC(LW) |
Rated Voltage (V) | 1327 | 1327 | 1327 |
Rated Force (N) | ≥13 | ≥13 | ≥13 |
Rated Stroke (mm) | 2 | 2 | 2 |
Total Stroke (mm) | ≥4.2 | ≥4.2 | ≥4.2 |
Consumed Power (W) | 20W/25W | 20W/25W | 20W/25W |
Oil Pressure (Mpa) | 16 | 16 | 16 |
Protection Grade | IP69K | IP67 | IP65 |
Order Code
Valve-Using Solenoids | DC | Design Code | Wet | power | joint style |
MF | Z | 15-17 | YC | 20/25 | DT/DIN/LW |
Stroke-Force Curve

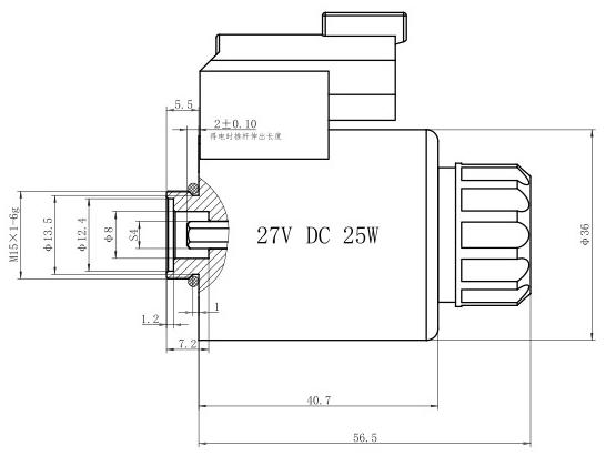
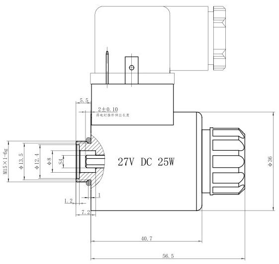
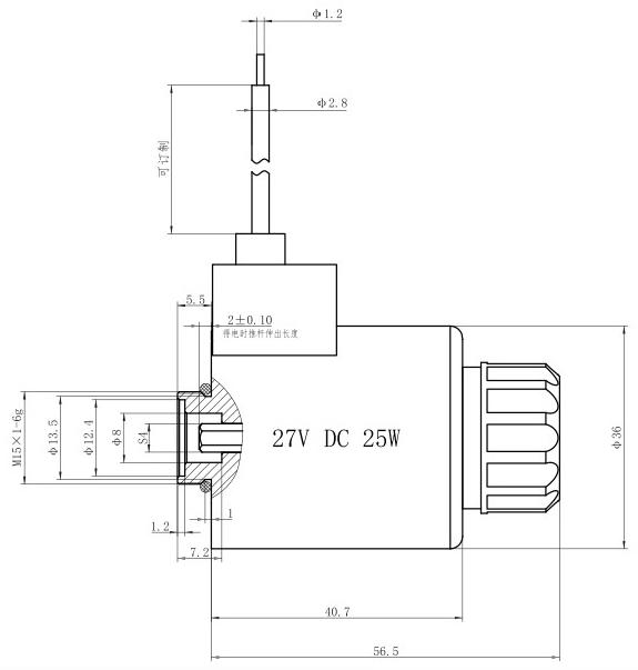
Externality &Installation Dimensions
MFZ15-17YC(DT)

MFZ15-17YC(DIN)

MFZ15-17YC(LW)

Operating Notice
● The manual push rod of the electromagnet is used for manual control during debugging or in emergency situations. But when the system back pressure is high and adjustment is difficult, please use a cross screwdriver to slowly push the manual push rod, and do not use impact force to avoid damaging the surface of the manual push rod and guide inner hole, causing oil leakage or inability to reset the electromagnet.
● When using electromagnets in both directions, it is important to ensure that both electromagnets are not energized simultaneously to prevent the solenoid valve from working properly.
● There should be an over current protection device between the electrical control system and the connection part of the electromagnet to avoid burning the electromagnet and your electronic control components under abnormal circumstances.
Explanation Of Sample
● If client have special requirements,we can adjust the connect dimension ,power connect method and the extended length of push pin as demanding.
● Characteristic curve for reference only.
Chinese
English
Русский
Español