National Service Hotline:
+86-372-2595077/2595078/2595088
Purpose
This series of electromagnets is suitable for the control circuit of DC power supply and serves as the power component of hydraulic electromagnetic directional valves.An electromagnetic directional valve that can be matched with the ten way threaded connection of the YUKEN series in Japan.
Usual Service Conditions
● Can be installed in any direction.
● There should be no gas or dust in the operating environment that is sufficient to corrode metals and damage insulation. Otherwise, it may affect the product's lifespan.
● Electromagnets are suitable for long-term and intermittent cycle working systems.
● The reasonable fluctuation range of power supply voltage is 85%to 110%(special requirements can be proposed when ordering).
● The shell protection level is IP65.
Key Parameters
Code | MIFZ18A-55YC | |
Rated Voltage (V) | 1224 | |
Rated Force (N) | ≥55 | |
Rated Stroke (mm) | 4.2 | |
Total Stroke (mm) | ≥9 | |
Consumed Power (W) | 42 | |
Static Oil Pressure (MPa) | 21 | |
Operating Frequency (T/h) | 12000 | |
Order Code
Valve-Using Solenoids | DC | Design Code | Rated Force(N) | Wet |
MF | Z | 18A | 55 | YC |
Steady Stroke-Force Curve

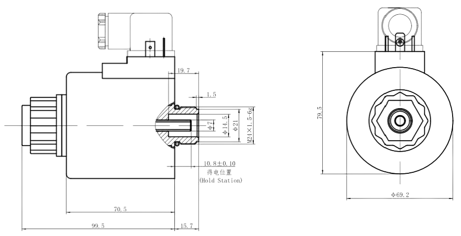
Externality &Installation Dimensions
MFZ18A-55YC

Operating Notice
● The manual push rod of the electromagnet is used for manual control during debugging or in emergency situations.But when the system back pressure is high and adjustment is difficult, please use a cross screwdriver to slowly push the manual push rod, and do not use impact force to avoid damaging the surface of the manual push rod and guide inner hole, causing oil leakage or inability to reset the electromagnet.
● There should be an over current protection device between the electrical control system and the connection part of the electromagnet to avoid burning the electromagnet and your electronic control components under abnormal circumstances.
Explanation Of Sample
● If client have special requirements,we can adjust the connect dimension ,power connect method and the extended length of push pin as demanding.
● Characteristic curve for reference only.
Chinese
English
Русский
Español