National Service Hotline:
+86-372-2595077/2595078/2595088
Purpose
This series solenoid is applied to the control circuits of AC 50Hz/60Hz, which voltage can reach 380V, as a power component of the hydraulic solenoid directional valve. it can be used in NG6, NG10 of YUKEN solenoid directional valve, which is junction box screw connected.
Usual Service Conditions
● It can be installed randomly.
● There is no gas or dust which can corrupt metal or destroy nonconductor.Or,it will affect the products lifetime.
● The solenoids fit for the continuous duty system or intermittent periodic duty system.
● The reasonable wave range of supply voltage is between 85%-110%(any special requirements is possible).
● The protection is IP65 class.
Key Parameters
Code | MFJ9-26YC | MFJ9-50YC | ||
Rated Voltage (V) | 110/120 220/240 | 100200 | 110/120 220/240 | 100200 |
Power Frequency (Hz) | 50/60 | 60 | 50/60 | 60 |
Rated Force (N) | ≥26 | ≥50 | ||
Rated Stroke (mm) | 3 | 4 | ||
Total Stroke (mm) | ≥6 | ≥8 | ||
Static Oil Pressure (MPa) | 16 | 16 | ||
Start VA (VA) | ≤188 | ≤336 | ||
Holding VA (VA) | ≤60 | ≤84 | ||
Operating Frequency (T/h) | 12000 | 12000 | ||
Order Code
Valve-Using Solenoids | 交流 | Design Code | Rated Force(N) | Wet |
MF | J | 9 | 26/50 | YC |
Steady Stroke-Force Curve

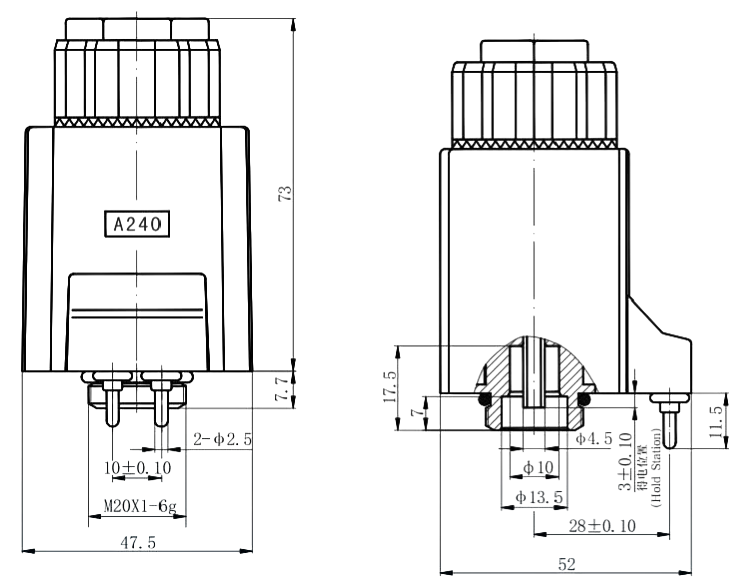
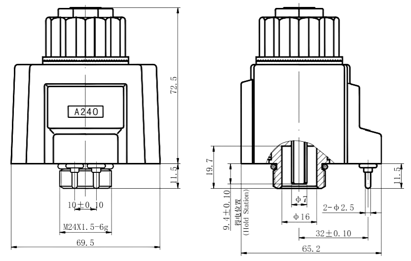
Externality &Installation Dimensions
MFJ9-26YC

MFJ9-50YC

Operating Notice
● Mode connection of solenoids is junction box. The voltage of junction box must meet with the solenoid itself.
● The pushpin of the solenoid is used in adjustment or sometimes in emergency, but when the backpressure of the system is higher, please use screwdriver to push it, not strike it. The wallop can destroy the pushpin and the surface of the leading hole, or the solenoid will leak oil or cannot reposition.
● When solenoid is used in double directions, remember the solenoids cannot be energized at the same time in order to prevent the solenoids from burning.
● There is a protector of over-current between electrical control system and solenoid, in order to prevent the solenoid and the electrical component from burning in improper conditions.
Explanation Of Sample
● If client have special requirements,we can adjust the connect dimension ,power connect method and the extended length of push pin as demanding.
● Characteristic curve for reference only.
● The main performance parameter is obtained in the conditions of lab.Finally explanation and changing of the parameters by KAIDI.
Chinese
English
Русский
Español